Hola gente, mi consulta es por un choque que tuvo mi viejo en el auto y no se puede conseguir las dos piezas que ven marcadas en la foto que adjunto.
Alguien tiene idea donde se puede conseguir?
Prisma LTZ 2015
http://blog.campoy.com.ar/frente-prisma.jpeg
Gracias desde ya.
Falta repuesto frente chasis
- Blopaz
- Gurú !

- Mensajes: 1654
- Registrado: 24 May 2016, 17:27
- Auto: Onix LTZ
- Ubicación: Olivos - Vte Lopez
- Agradecido : 21 veces
- Agradecimiento recibido: 343 veces
Re: Falta repuesto frente chasis
para averiguar al 100% se requiere numero de pieza o n° de chasis y asi se puede averiguar! tenes idea como se llama eso exactamente?
saludos
saludos
- daneduaguirre
- Gurú !

- Mensajes: 1801
- Registrado: 25 Ene 2016, 10:39
- Auto: Onix Effect
- Ubicación: Ciudad de Cordoba.
- Agradecido : 405 veces
- Agradecimiento recibido: 545 veces
Re: Falta repuesto frente chasis
Hola gente, tengo algo del pespiece de la chaperia del frente ...
esta en portugues pero se entiende.
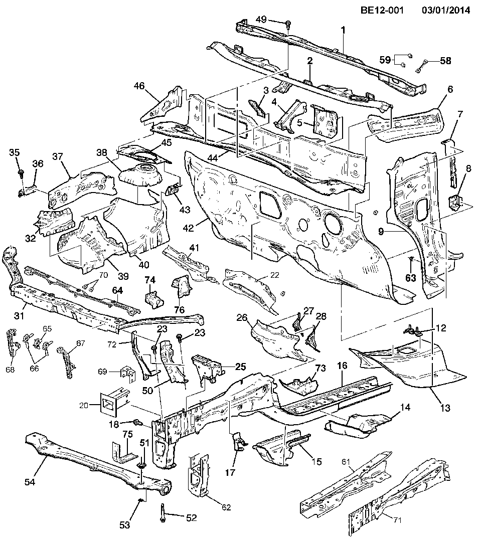
Subo la foto, supongo que la pieza que estan buscando es la indicada con el numero 50.
Esta pieza esta informada con el numero 52133934 (lado derecho) y 52133933 (lado izquierdo) y seria el "Soporte de la barra superior".
Todos los modelos (2013 al 2017) usan la misma.
Si no es esta la pieza indicada avisen plis.
Estoy viendo con Martin la forma de subir los archivos del despiece que pude conseguir.
esta en portugues pero se entiende.
Subo la foto, supongo que la pieza que estan buscando es la indicada con el numero 50.
Esta pieza esta informada con el numero 52133934 (lado derecho) y 52133933 (lado izquierdo) y seria el "Soporte de la barra superior".
Todos los modelos (2013 al 2017) usan la misma.
Si no es esta la pieza indicada avisen plis.
Estoy viendo con Martin la forma de subir los archivos del despiece que pude conseguir.
Saludos,
Daniel.
Daniel.
- daneduaguirre
- Gurú !

- Mensajes: 1801
- Registrado: 25 Ene 2016, 10:39
- Auto: Onix Effect
- Ubicación: Ciudad de Cordoba.
- Agradecido : 405 veces
- Agradecimiento recibido: 545 veces
Re: Falta repuesto frente chasis
Hola gente, aca va el archivo completo del despiece de la chaperia del frente del Onix del motor con su descripcion.
Gracias a Martin que me indico como subirlo, cualquier duda me avisan !!!
Gracias a Martin que me indico como subirlo, cualquier duda me avisan !!!
- Adjuntos
-
- BE12-001 - CHAPA METAL CARROCERIA PART 1 COMPARTIMENTO DO MOTOR (JE,JF48-69) (2013_2017).rar
- (111.98 KiB) Descargado 214 veces
Saludos,
Daniel.
Daniel.
- Martin
- Admin

- Mensajes: 2349
- Registrado: 10 May 2013, 15:47
- Auto: Onix LTZ
- Ubicación: Mar del Plata, Bs. As., Argentina
- Agradecido : 727 veces
- Agradecimiento recibido: 657 veces
- Contactar:
Re: Falta repuesto frente chasis
Excelente gracias Daniel por el aporte
Enviado desde mi Moto G (4) mediante Tapatalk
Enviado desde mi Moto G (4) mediante Tapatalk
_________________
Martin
Martin
